设为首页
加入收藏
无障碍阅读
长者版
首页
魅力下陆
政府信息公开
在线办事
数据开放
互动交流
专题专栏
首页
>
财政预决算
>
纪委
名 称:
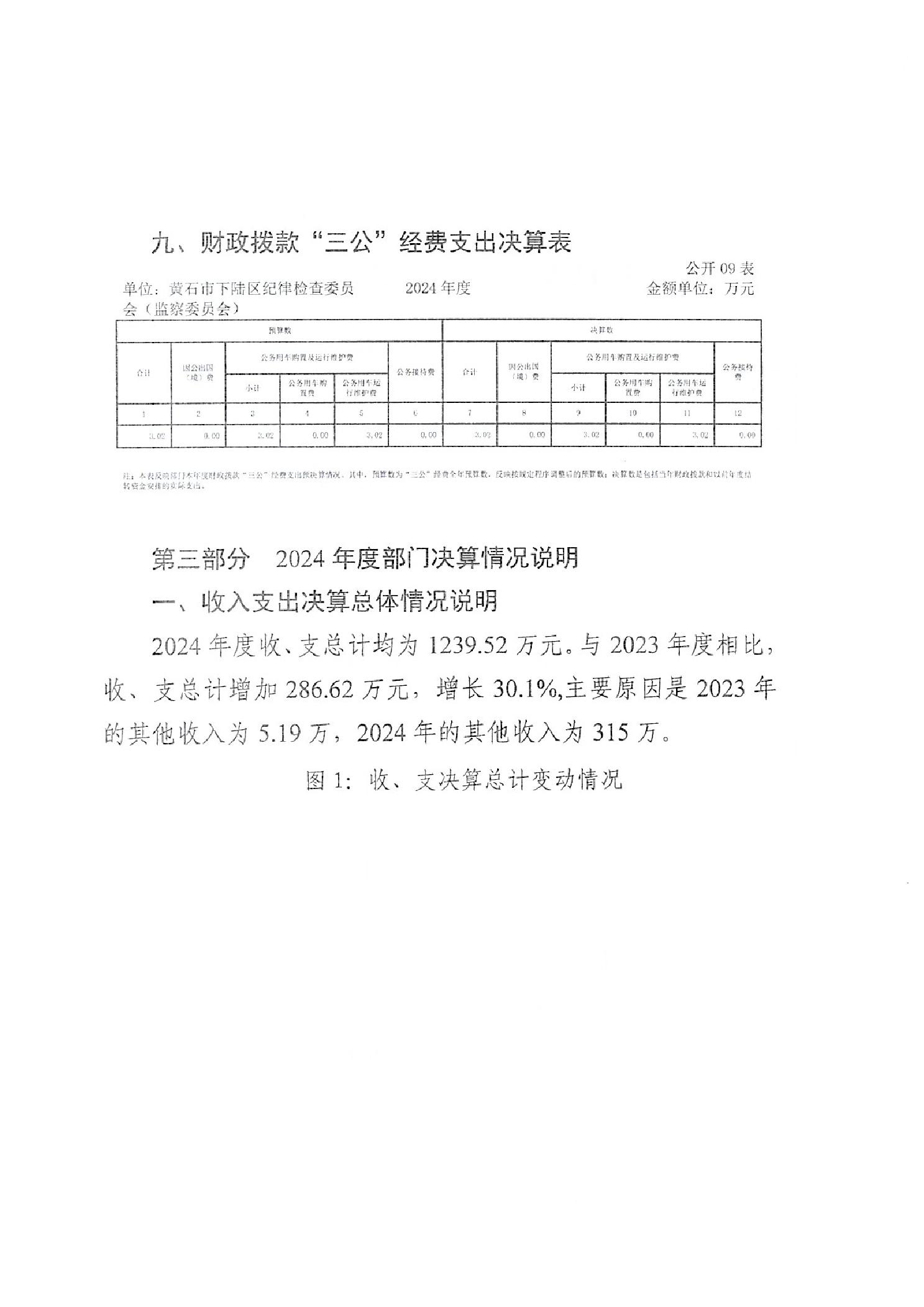
下陆区纪委监委2024年度部门决算
索 引 号:
000014349/2025-71128
发布日期:
2025-09-19
发布机构:
下陆区纪委监委
文 号:
文件分类:
所属机构:
下陆区纪委监委2024年度部门决算